GZ電磁麻豆黄色一级片概述
GZ電磁麻豆黄色一级片廣泛使用在冶金、煤炭、電子、機械、化工、建材、輕工、糧食等工礦企業中,在生產流程中,用於反塊狀、顆粒狀、粉狀物料從貯料倉或漏鬥中定量、均勻、連續地給到受料裝置中去。GZ電磁麻豆黄色一级片特點
- 電氣控製采用可控矽半波整流線路。可無級調節給料量,可用於自動控製的生產流程中,實現生產自動化。
- 無轉動零部件,不需潤滑,結構簡單,維修方便。
- 物料呈微拋運動,料槽磨損小。
- 采用合金鋼板製成的料槽,可適用輸送高溫、磨損嚴重及有腐蝕性的物料等。

技術參數
| 類型 | 型號 | 生產率 (t/h) | 給料粒度 (mm) | 雙振幅 (mm) | 振動頻率 (次/分) | 供電電壓(V) | 電流(A) | 有功功率 (KW) | 重量 (kg) | ||
| 水平 | -100 | 工作電流 | 表示電流 | ||||||||
| 基本型 | GZ1 | 5 | 7 | 50 | 1.75 | 3000 | 220 | 1.34 | 1.0 | 0.06 | 77 |
| GZ2 | 10 | 14 | 50 | 3.0 | 2.3 | 0.15 | 151 | ||||
| GZ3 | 25 | 35 | 75 | 4.6 | 3.8 | 0.20 | 233 | ||||
| GZ4 | 50 | 70 | 100 | 8.4 | 7.0 | 0.45 | 460 | ||||
| GZ5 | 100 | 140 | 150 | 12.7 | 10.6 | 0.65 | 668 | ||||
| GZ6 | 150 | 210 | 200 | 1.5 | 380 | 16.4 | 13.3 | 1.5 | 1271 | ||
| GZ7 | 250 | 350 | 300 | 24.6 | 20 | 2.5 | 1920 | ||||
| GZ8 | 400 | 560 | 300 | 39.4 | 32 | 4.0 | 3040 | ||||
| GZ9 | 600 | 840 | 500 | 47.6 | 38.6 | 5.5 | 3750 | ||||
| GZ10 | 750 | 1050 | 500 | 39.4×2 | 32×2 | 4.0×2 | 6491 | ||||
| GZ11 | 1000 | 1400 | 500 | 47.6×2 | 38.6×2 | 5.5×2 | 7680 | ||||
| 上振型 | GZ3S | 25 | 35 | 75 | 1.75 | 220 | 4.6 | 3.8 | 0.20 | 242 | |
| GZ4S | 50 | 70 | 100 | 8.4 | 7.0 | 0.45 | 457 | ||||
| GZ5S | 100 | 140 | 150 | 12.7 | 10.6 | 0.65 | 666 | ||||
| GZ6S | 150 | 210 | 200 | 1.5 | 380 | 16.4 | 13.3 | 1.5 | 1246 | ||
| GZ7S | 250 | 350 | 250 | 24.6 | 20 | 2.5 | 1963 | ||||
| GZ8S | 400 | 560 | 300 | 39.4 | 32 | 4.0 | 3306 | ||||
| 封閉型 | GZ1F | 4 | 5.6 | 40 | 1.75 | 220 | 1.34 | 1.0 | 0.06 | 78 | |
| GZ2F | 8 | 11.2 | 40 | 3.0 | 2.3 | 0.15 | 154 | ||||
| GZ3F | 20 | 28 | 60 | 4.6 | 3.8 | 0.20 | 247 | ||||
| GZ4F | 40 | 50 | 60 | 8.4 | 7.0 | 0.45 | 464 | ||||
| GZ5F | 80 | 112 | 80 | 12.7 | 10.6 | 0.65 | 668 | ||||
| GZ6F | 120 | 168 | 80 | 1.5 | 380 | 16.4 | 13.3 | 1.5 | 1278 | ||
| 輕槽型 | GZ5Q | 100 | 140 | 200 | 1.75 | 220 | 12.7 | 10.6 | 0.65 | 653 | |
| GZ6Q | 150 | 200 | 250 | 1.5 | 380 | 16.4 | 13.3 | 1.5 | 1326 | ||
| GZ7Q | 250 | 350 | 300 | 24.6 | 20 | 2.5 | 1992 | ||||
| GZ8Q | 400 | 560 | 350 | 39.4 | 32 | 4.0 | 3046 | ||||
| 平槽型 | GZ5P | 50 | 140 | 100 | 1.75 | 220 | 12.7 | 10.6 | 0.65 | 633 | |
| GZ6P | 75 | 210 | 300 | 1.5 | 380 | 16.4 | 13.3 | 1.5 | 1238 | ||
| GZ7P | 125 | 350 | 350 | 24.6 | 20 | 2.5 | 1858 | ||||
| 寬槽型 | GZ5K1 | 200 | 100 | 1.5 | 220 | 12.7×2 | 10.6×2 | 0.65×2 | 1212 | ||
| GZ5K2 | 240 | 100 | 1343 | ||||||||
| GZ5K3 | 270 | 100 | 1376 | ||||||||
| GZ5K4 | 300 | 100 | 1408 | ||||||||
主要選型
| 類型 | 生產率計算容重(T/m3) | 用途 |
| 基本型 | 1.6 | 無特殊要求的物料給料 |
| 上振型 | 1.6 | 配置空間不免的情況安裝使用,其它與基本型相同 |
| 封閉型 | 1.6 | 易碎顆粒、粉塵較大及揮發性物料給料 |
| 輕槽型 | 1.0 | 比重較小的輕物料給料 |
| 平槽型 | 按配煤和選煤條件給出 | 薄料層均勻給料 |
| 寬槽型 | 按配煤和選煤條件給出 | 主要用於選煤,亦可用於向篩分設備給料 |
實際容重大於或小於上述計算容重時,生產率按實際物料容重進行換算。
粒度小於1mm的物料,輸送速度下降,含水量大於10%的潮濕粘性物料不能正常輸送,料層厚度超過一定值,會妨礙正常給料,推薦H=(1/3-1/4)槽高。對有特殊要求、特殊規格的產品,我廠可專門設計製作。
配套控製箱
| 給料機型號 | 普通控製箱型號 | 式 祥 | 穩幅控製箱型號 | 式 祥 | 給料機S!號 | 普通控製箱型號 | 式 祥 | 穩幅控製箱型號 | 式 祥 |
| GZ1 | XKZ-5G2 | 掛 式 | ZWKK-I-I 2WKX-5G2 | 台 掛 | 026 # 027 | XKZ-50G3 | 掛 式 | ZWKK-II-1 ZWKK-50G3 | 台 掛 |
| GZ2、GZ3 | XK2-10G2 | 掛 式 | ZWKK-I-1 2WKX-10G2 | 台 掛 | GZ8 # GZ9 | XKZ-200G3 | 台 式 | 2WKK-H-2 ZWKK-200G3 | 台 掛 |
| GZ10# GZ11 | XK2-20G3 | 台 式 | ZWKK-II-3 ZWKX-200G3 | 台 掛 | |||||
| GZ4、GZ5 | XKZ-20G2 | 掛 式 | 2WKX-I-3 2WKX-20G2 | 台 掛 | GZ5KC 1- 4) | XKZ-50G2 | 掛 式 |
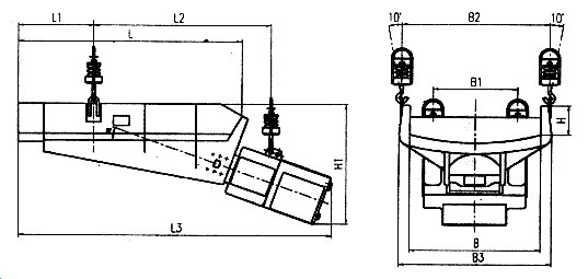
外型尺寸
GZ1-GZ5基本型電磁麻豆黄色一级片

| 型號 | L | L1 | L2 | L3 | H | H1 | B | B1 | B2 | B3 |
| GZ1 | 600 | 209 | 550 | 910 | 100 | 360 | 200 | 280 | 340 | 376 |
| GZ2 | 800 | 310 | 660 | 1175 | 120 | 450 | 300 | 388 | 458 | 508 |
| GZ3 | 900 | 311 | 790 | 1325 | 150 | 520 | 400 | 496 | 542 | 578 |
| GZ4 | 1100 | 413 | 965 | 1615 | 200 | 645 | 500 | 620 | 686 | 762 |
| GZ5 | 1200 | 463 | 1050 | 1815 | 250 | 765 | 700 | 850 | 761 | 840 |
GZ6-GZ9基本型電磁麻豆黄色一级片

| 型號 | L | L1 | L2 | L3 | H | H1 | B | B1 | B2 | B3 |
| GZ6 | 1600 | 400 | 1470 | 241 | 250 | 1030 | 900 | 720 | 1032 | 1092 |
| GZ7 | 1800 | 650 | 1465 | 2800 | 250 | 1130 | 1100 | 840 | 1257 | 1332 |
| GZ8 | 2200 | 750 | 1800 | 3302 | 300 | 1343 | 1300 | 1000 | 1471 | 1556 |
| GZ9 | 2400 | 800 | 2000 | 3515 | 300 | 1440 | 1500 | 1010 | 1676 | 1776 |
上振型電磁麻豆黄色一级片

封閉型電磁麻豆黄色一级片

| 型號 | L | L1 | L2 | L3 | H1 | H | B1 | B2 | B |
| GZ1F | 600 | 246 | 716 | 1064 | 410 | 108 | 250 | 340 | 375 |
| GZ2F | 800 | 288 | 903 | 1042 | 520 | 135 | 358 | 458 | 517 |
| GZ3F | 1000 | 300 | 1082 | 1695 | 520 | 170 | 464 | 527 | 585 |
| GZ4F | 1100 | 451 | 1306 | 1940 | 750 | 208 | 574 | 686 | 762 |
| GZ5F | 1200 | 528 | 1483 | 2190 | 893 | 255 | 784 | 761 | 868 |
| GZ6F | 1600 | 584 | 1684 | 2835 | 1200 | 265 | 949 | 720 | 1120 |
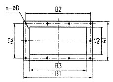
封閉型進出料口尺寸

| 型號 | A | A2 | A3 | B1 | B2 | B3 | n-ΦD |
| GZ1F | 174 | 2×77 | 120 | 254 | 3×78 | 200 | 10-Φ7 |
| GZ2F | 224 | 2×99 | 160 | 364 | 3×112 | 300 | 10-Φ11 |
| GZ3F | 286 | 2×126 | 200 | 486 | 3×152 | 400 | 10-Φ11 |
| GZ4F | 318 | 2×139 | 220 | 598 | 5×112 | 500 | 10-Φ13 |
| GZ5F | 348 | 2×154 | 240 | 808 | 6×128 | 700 | 16-Φ13 |
| GZ6F | 388 | 2×174 | 280 | 1008 | 6×178 | 900 | 16-Φ13 |
輕槽型、平槽型電磁麻豆黄色一级片

| 型號 | L | L1 | L2 | L3 | H | H1 | B | B1 | B2 | B3 |
| GZ5Q | 1600 | 488 | 1414 | 2189 | 250 | 644 | 900 | 1042 | 761 | 1104 |
| GZ6Q | 1800 | 650 | 1406 | 2610 | 250 | 1066 | 1100 | 1257 | 720 | 1192 |
| GZ7Q | 2200 | 750 | 1738 | 3150 | 300 | 1240 | 1300 | 1467 | 840 | 1635 |
| GZ8Q | 2400 | 800 | 1906 | 3464 | 300 | 1360 | 1500 | 1672 | 1000 | 1866 |
| GZ5Q | 1200 | 388 | 1140 | 1815 | 250 | 647 | 900 | 1040 | 761 | 1202 |
| GZ6Q | 1400 | 450 | 1233 | 2366 | 250 | 1030 | 1100 | 1232 | 720 | 1292 |
| GZ7Q | 1600 | 500 | 1440 | 2574 | 250 | 1089 | 1300 | 1457 | 840 | 1532 |
寬槽型電磁麻豆黄色一级片

| 型號 | B | B1 | B2 | B3 |
| GZ5K1 | 1600 | 1750 | 900 | ~1872 |
| GZ5K2 | 1900 | 2050 | 100 | ~2172 |
| GZ5K3 | 2200 | 2350 | 1200 | ~2475 |
| GZ5K4 | 2500 | 2650 | 1400 | ~2772 |
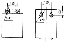
電磁麻豆黄色一级片控製箱

| 類別 | 型號 | 高 | 寬 | 厚 | 樣式 |
| XZ型控製箱 | XKZ-200G3 | 458 | 350 | 260 | 台式 |
| 其它 | 402 | 280 | 168 | 掛式 | |
| 自動穩幅控製箱 | ZWKX-I | 375 | 255 | 185 | 台掛 |
| ZWWX-II | 360 | 250 | 160 | 台掛 |

